D37D1X蝸輪單邊法蘭對夾式軟密封蝶閥
D37D1X蝸輪單邊法蘭對夾式軟密封蝶閥是用蝸輪式啟閉件往復回轉90°左右來開啟、關閉和調節流體通道的一種閥門。
概述
D37D1X蝸輪單邊法蘭對夾式軟密封蝶閥是用蝸輪式啟閉件往復回轉90°左右來開啟、關閉和調節流體通道的一種閥門。
蝶閥不僅結構簡單、體積小、重里輕、材料耗用省,安裝尺寸小,而且驅動力矩小,操作簡便、迅速,并且還可同時具有良好的流量調節功能和關閉密封特性,是近十幾年來發展最快的閥門品種之一。特別是在美、日、德,法、意等工業發達國家,蝶閥的使用非常廣泛,其使用的品種和數量仍在繼續擴大,并向高溫、高壓、大口徑、高密封性、長壽命、優良的調節特性以及一閥多功能方向發展,其可靠性及其他性能指標均達較高水平,并已部分取代截止閥、閘閥和球閥。隨著蝶閥技術的進步,在可以預見的短時間內,特別是在大中型口徑、中低壓力的使用領域,蝶閥將會成為主導的閥門形式。

用途及特點
軟密封蝶閥適用于食品、醫藥、化工、石油、電力、冶金、城建、輕紡、造紙等給排水、氣體管道上作調節流量和截流介質的作用,其主要特點為:
1、設計新穎、合理,結構獨特,重量輕,啟閉迅速。
2、操作力矩小,操作方便,省力炅巧。
3、可以任何位置安裝,維修方便。
4、密封件可以更換,密封性能可靠,達到雙向密封零泄漏。
5、密封材料耐老化,耐腐蝕,使用壽命長等特點。
6、結構簡單,通用互換性好,價格低廉。
7、閥桿密封不易變形從而避免了通常的閥桿泄漏現象。整體支撐性好,穩定、牢固。
8、閥座橡膠用量少,膨脹的潛在影響小,容易將扭矩值控制在適當的范圍內采用兩截式閥桿無銷連接,結構簡單緊湊,維修拆卸極為方便。
9、蝶板具有自動對中功能,實現了蝶板與閥座小過盈合量配合。酚醛靠背座具有不脫落、抗拉、防泄漏、更換方便等特點。由于閥座密封面與靠背為一體,從而減小了閥座的變形量。
型號編制說明
| 閥門類型 | 傳動方式 | 連接形式 | 結構形式 | 密封材質 | 公稱壓力 | 閥體材質 |
| D:蝶閥 | 3:蝸輪 | 7D:單邊法蘭對夾式 | 1:中線 | X:橡膠 | -10:PN1.0MPa | Z:灰鑄鐵 Q:球墨鐵 |
釆用標準
| 設計標準 | GB/T12238-2008、ISO 10631-1994或BS EN593-1998、BS5155、MSS SP-67 |
| 法蘭連接 | GB/T17241.6-2008、JIS B2212-B2214-1999,JIS B2220-2004、JIS B2210-1984、ANSI B 16.5-2009, ANSI B 16.47-2006、ISO 7005-2或BS EN 1092-2002(PN6、PN10、PN16、 Class 125、 Class150、5K、10K、 16K) |
| 結構長度 | GB/T12221 -2005、IS0 5752-1988SBSEN558-1 |
| 壓力試驗 | GB/T13927-2008、JB/T9092-1999、ISO 5028-1993或BS 5755-1-1986 |
| 頂法蘭 | 符合IS05211等標準 |
中線蝶閥的密封原理 中線蝶閥的密封原理為閥板加工時保證其密封面具有合適的表面粗糙度值,合成橡膠閥座在模壓成形時形成密封面合適的表面粗糙度值。閥門關閉時.通過閥板的轉動,閥板的外圓密封面擠壓合成橡晈閥座,使合成橡膠閥座產生彈性變形而形成彈性力作為密封比壓保證閥門的密封。 蝶閥所適用的場合 蝶閥適用于流量調節。由于蝶閥在管路中的壓力損失比較大,大約是閘閥的三倍,因此在選擇蝶閥時,應充分考慮管路系統受壓力損失的影晌,還應考慮關閉時蝶板承受管道介質壓力的堅固性。此外,還必須考慮在髙溫下彈性閥座材料所承受工作溫度的限制。 蝶閥的結構長度和總體高度較小,開啟和關閉速度快,且具有良好的流體控制特性,蝶閥的結構原理最適合于制作大口徑閥門。當要求蝶閥作控制流量使用時,最重要的是正確選擇蝶閥的尺寸和類型,使之能恰當地、有效地工作。 通常,在節流、調節控制與泥漿介質中,要求結構長度短,啟閉速度快(1/4轉)。低壓截止(壓差小),推薦選用蝶閥。 在雙位調節、縮口的通道、低噪聲、有氣穴和氣化現象,向大氣少量滲漏,具有磨蝕性介質時,可以選用蝶閥。 在特殊工況條件下節流調節,或要求密封嚴格,或磨損嚴重、低溫(深冷)等工況條件下使用蝶閥時,需使用特殊設計金屬密封帶調節裝置的三偏心或雙偏心的專用蝶閥。 中線蝶閥適用于要求達到完全密封、氣體試驗泄漏為零、壽命要求較高、工作溫度在-10~150℃的淡水、污水、海水、鹽水、蒸汽、天然氣、食品、藥品、油品和各種酸臧及其他管路上。 軟密封偏心蝶閥適用于通風除塵管路的雙向啟閉及調節,廣泛用于冶金、輕工、電力、石油化工系統的煤氣管道及水道等。 金屬對金屬線密封雙偏心蝶閥適用于城市供熱、供汽、供水及煤氣、油品、酸堿等管路,作為調節和截流裝置。 金屬對金屬面密封三偏心蝶閥除作為大型變壓吸附(PSA)氣體分離裝置程序控制閥使用外,還可廣泛用于石油、石化、化工、冶金、電力等領域,是閘閥、截止閥等的良好替代產品。
外形尺寸
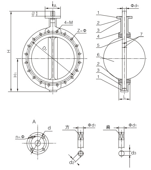
| 公稱通徑 DN(mm) | 外徑 D | 中心距 D1 | 螺栓孔數 和孔徑 Z-φ | 結構長 L | 總高 H | 底座高 H1 | 軸高 H2 | 螺孔 4-M | 法蘭號 NO | 連接盤 外徑 A | 連接盤 中心距 d | 連接盤孔 數和孔徑 n-φ | 圓軸 d1 | 方軸 d2 | 扁軸 d3 |
| 100 | 220 | 180 | 8-19 | 52 | 315 | 105 | 32 | F07 | 90 | 70 | 4-11 | 15.78 | 11 | 11 | |
| 125 | 250 | 210 | 8-19 | 56 | 340 | 120 | 32 | F07 | 90 | 70 | 4-11 | 18.95 | 14 | 14 | |
| 150 | 285 | 240 | 8-23 | 56 | 375 | 135 | 32 | F07 | 90 | 70 | 4-11 | 18.95 | 14 | 14 | |
| 200 | 340 | 295 | 8-23 | 60 | 470 | 165 | 45 | F10 | 125 | 102 | 4-14 | 22.1 | 17 | 17 | |
| 250 | 395 | 350 | 12-23 | 68 | 495 | 206 | 45 | F10 | 125 | 102 | 4-14 | 28.5 | 22 | 22 | |
| 300 | 445 | 400 | 12-23 | 78 | 553 | 230 | 45 | F12 | 150 | 125 | 4-14 | 31.6 | 22 | 22 | |
| 350 | 505 | 460 | 16-23 | 78 | 628 | 248 | 45 | F12 | 150 | 125 | 4-14 | 31.6 | 22 | 22 | |
| 400 | 565 | 515 | 16-28 | 88 | 690 | 289 | 51 | F16 | 210 | 165 | 4-22 | 33.15 | 22 | 22 | |
| 450 | 615 | 565 | 20-28 | 108 | 746 | 320 | 51 | F16 | 210 | 165 | 4-22 | 38 | 27 | 27 | |
| 500 | 670 | 620 | 20-28 | 127 | 832 | 343 | 64 | F16 | 210 | 165 | 4-22 | 41 | 27 | 27 | |
| 600 | 780 | 725 | 20-31 | 154 | 1021 | 459 | 70 | F25 | 300 | 254 | 4-22 | 50 | 36 | 36 | |
| 700 | 895 | 840 | 24-31 | 165 | 1129 | 505 | 66 | 4-M33 | F25 | 300 | 254 | 8-18 | 55 | 46 | 46 |
| 750 | 970 | 900 | 24-34 | 166 | 1145 | 499 | 66 | 4-M33 | F25 | 300 | 254 | 8-18 | 55 | 46 | 46 |
| 800 | 1015 | 950 | 24 - 34 | 190 | 1248 | 576 | 66 | 4-M30 | F25 | 300 | 254 | 8-18 | 55 | 46 | 46 |
| 900 | 1115 | 1050 | 28-34 | 203 | 1357 | 637 | 118 | 4-M30 | F25 | 300 | 254 | 8-18 | 75 | 55 | 55 |
| 1000 | 1230 | 1160 | 28-37 | 216 | 1501 | 701 | 142 | 4-M30 | F25 | 300 | 254 | 8-18 | 85 | 55 | 55 |
| 1200 | 1455 | 1380 | 32-40 | 254 | 1784 | 844 | 150 | 4-M30 | F30 | 350 | 298 | 8-22 | 105 | 75 | 75 |
尺寸圖

選用原則
(1)由于蝶閥相對于閘閥、球閥壓力損失比較大,故適用于壓力損失要求不嚴的管路系統中。
(2)由于蝶閥可以用作流量調節,故在需要進行流童調節的管路中宜于選用。
(3)由于蝶閥的結構和密封材料的限制,不宜用于髙溫、高壓的管路系統。一般工作溫度在300℃以下,公稱壓力在PN40以下。
(4)由于蝶閥結構長度比較短,且又可以做成大口徑,故在結構長度要求短的場合或是大口徑閥門(如DN1000以上),宜選用蝶閥。
(5)由于蝶閥僅旋轉就能開啟或關閉,因此在啟閉要求快的場合宜選用蝶閥。
安裝注事事項
1、安裝前應核對蝶閥規格、壓力、溫度、耐腐性是否滿足使用要求。 應檢查各零部件是否損壞或松動。
2、本蝶閥可安裝在任意角度的管道上,應關閉安裝為宜;焊接管道法蘭時應將閥門密封口用板擋住以防止顆粒、雜物挫傷密封面,焊后取下 閥門,對閥門密封面及管道內腔進行清潔,然后再安裝固定閥門。
3、安裝時請注意閥門關閉狀態承壓方向。
4、安裝前應將密封面(兩端密封面、蝶板密封面、閥座密封面)徹底擦干凈,去掉灰塵和污物。
5、安裝前應空試蝶閥,啟閉應靈活,啟閉位置與指針指示位置相符合。
6、手動操作順時針為關,逆時針為開,指針指示到位后不準再加力啟閉閥門。
7、閥門做壓力試驗時,不準用單法蘭進行安裝試壓,必須采用雙法蘭安裝試壓。其試驗壓力應符合GB/T13927-92標準規定。
8、緊固螺栓時應對稱交替進行緊固,不準依次單獨緊固。
9、限位螺釘出廠前,已經調好,不準輕易調整。若配置驅動裝置為電動、氣動請閱配套驅動裝置說明書。
10、電動蝶閥出廠時已將控制機構的啟閉行程調好。為防止電源接通時方向搞錯,用戶在第一次接通電源前要先手動開啟至半開位置,再按點動開關,檢查指示盤方向與閥門開啟方向一致即可。
11、發現閥門啟閉失常應查明原因進行修理和排除,防止用加力方法開關閥門,造成閥門的損壞。
|
||||||||||||||||||||||||
![]() |
||||||||||||||||||||||||
| ||||||||||||||||||||||||










